Q14F三通L型球閥,Q15F三通T型球閥
一、內螺紋三通球閥 產品概述
本公司的內螺紋三通球閥是一種旋轉類切斷、開關閥門,具有關閉嚴密,結構緊湊,重量輕,維修方便等優(yōu)點。兩閥座密封內螺紋三通球閥具有結構緊湊、外型美觀、密封性能好,它能實現對管道中介質流向的切換,也能使相互垂直的兩個通道連通或關閉。四閥座密封內螺紋三通球閥具有造型美觀、結構緊湊合理。它不僅可實現介質流向的切換,也可使三個通道相互連通,現時也可關閉任一通道,使另外兩個通道連通,靈活控制管路中介質的合流或分流。內螺紋三通球閥適用于供水、石化、冶金、礦山、輕紡、能源、造紙、食品、鋼鐵等管路系統(tǒng)中對介質流向進行切換以及對介質的分流或混合流體。
|
|
|
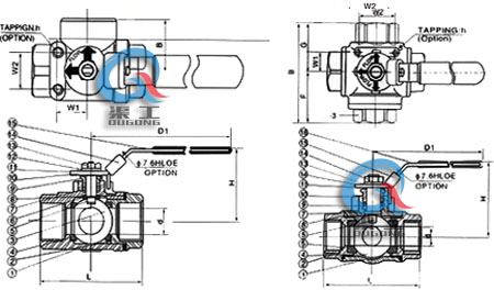
內螺紋三通球閥
|
內螺紋三通球閥 (結構圖)
|
二、內螺紋三通球閥 主要零件材料
|
序號
|
零件名稱
|
材質
|
|
1
|
閥體
|
不銹鋼CF8M/CF8
|
|
2
|
閥蓋
|
不銹鋼CF8M/CF8
|
|
3
|
球
|
不銹鋼CF8M/CF8
|
|
4
|
球墊
|
聚四氟乙烯/PTFE
|
|
5
|
閥桿
|
不銹鋼CF8M/CF8
|
|
6
|
填料
|
聚四氟乙烯/PTFE
|
|
7
|
中口
|
聚四氟乙烯/PTFE
|
|
8
|
大薄片
|
聚四氟乙烯/PTFE
|
|
9
|
壓蓋螺母
|
不銹鋼CF8M/CF8
|
|
10
|
手柄
|
不銹鋼CF8M/CF8
|
|
11
|
流向指示牌
|
ALUMINUM
|
|
12
|
華司
|
不銹鋼/CF8
|
|
13
|
螺帽
|
不銹鋼/CF8
|
|
14
|
鎖定裝置
|
不銹鋼/CF8
|
|
15
|
皮套
|
塑料
|
|
16
|
盲蓋
|
不銹鋼/CF8M/CF8
|
三、內螺紋三通球閥 三通L型球閥 主要連接尺寸
|
SIZE
|
d
|
L
|
H
|
D1
|
B
|
W1
|
W2
|
h
|
重量WT(g)
|
|
1/2″
|
12.7
|
64
|
53
|
97
|
32.0
|
22.4
|
35.0
|
10-24UNC
|
530
|
|
3/4″
|
16.0
|
76
|
63
|
126
|
38.0
|
22.4
|
35.0
|
10-24UNC
|
700
|
|
1″
|
20.0
|
87
|
66
|
126
|
43.5
|
22.4
|
35.0
|
10-24UNC
|
980
|
|
11/4″
|
25.0
|
96
|
81
|
145
|
48.0
|
22.4
|
35.0
|
10-24UNC
|
1950
|
|
11/2″
|
32.0
|
114
|
83
|
145
|
57.0
|
25.4
|
38.1
|
1/4-20UNC
|
2950
|
|
2″
|
38.1
|
142
|
96
|
204
|
71.0
|
25.4
|
38.1
|
1/4-20UNC
|
4450
|
四、內螺紋三通球閥 三通T型球閥 主要連接尺寸
|
SIZE
|
d
|
L
|
H
|
D1
|
B
|
F
|
G
|
W1
|
W2
|
h
|
重量WT(g)
|
|
1/2″
|
12.7
|
75
|
59
|
126
|
71.0
|
335
|
375
|
22.4
|
35.0
|
10-24UNC
|
550
|
|
3/4″
|
16
|
85
|
64
|
126
|
81.5
|
390
|
425
|
22.4
|
35.0
|
10-24UNC
|
725
|
|
1″
|
20
|
100
|
80
|
145
|
102.0
|
505
|
515
|
22.4
|
35.0
|
10-24UNC
|
1000
|
|
11/4″
|
25
|
115
|
90
|
145
|
108.5
|
510
|
575
|
25.4
|
38.1
|
10-24UNC
|
2000
|
|
11/2″
|
32
|
125
|
96
|
204
|
121.0
|
580
|
630
|
25.4
|
38.1
|
1/4-20UNC
|
3000
|
|
2″
|
38.1
|
148
|
106
|
204
|
138.5
|
655
|
730
|
25.4
|
38.1
|
1/4-20UNC
|
4650
|
五、內螺紋三通球閥 訂貨須知
訂貨時請?zhí)顚憽兑?guī)格書》或注明以下內容:
1、若訂貨前未選定型號,請向我們提供使用參數:1.公稱通徑,2.流體性質(包括公稱壓力、溫度、粘度或酸堿性),3.閥體、閥芯材料。
2、若已經由設計單位選定我公司的產品型號,請按型號直接向我司訂購;
3、當使用的場合很重要或管路比較復雜時,請您盡量提供設計圖紙和詳細參數,由我們?yōu)槟鷮徍税殃P。